Document Page: First | Prev | Next | All | OCR | This Release | Search

File: 091896_aug96_decls3_0013.gif
Page: 0013
Total Pages: 38


Document Page: First | Prev | Next | All | OCR | This Release | Search


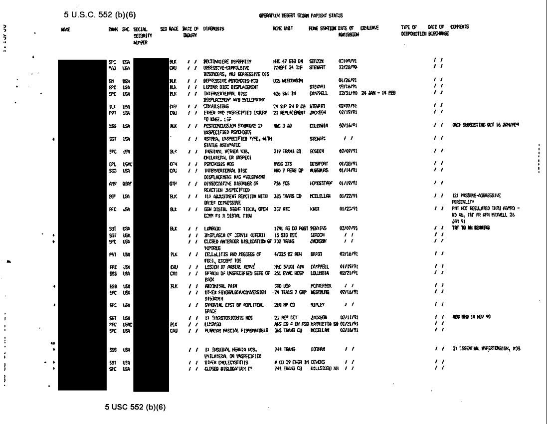
Document 38 f:/Week-31/BX000460/MEDSTAT-SITREPS - FEBRUARY - 2/ods patient status report 22feb91:09139616121511
Control Fields 17
File Room = aug96_declassified
File Cabinet = Week-31
Box ID = BX000460
Unit = ARCENT
Parent Organization = CENTCOM
Folder Title = MEDSTAT-SITREPS - FEBRUARY - 2
Folder Seq # = 5
Subject = ODS PATIENT STATUS REPORT 22FEB91
Document Seq # = 11
Document Date =
Scan Date = 07-AUG-1996
Queued for Declassification = 01-JAN-1980
Short Term Referral = 01-JAN-1980
Long Term Referral = 01-JAN-1980
Permanent Referral = 01-JAN-1980
Non-Health Related Document = 01-JAN-1980
Declassified = 13-SEP-1996